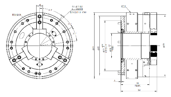
管螺紋專用卡盤具有:大孔徑、長行程,內置缸體獨立結構的特點;
安裝于機床頭尾兩臺組合使用,同步裝夾保證穩定性,適用于較長石油管料兩端內、外圓及螺紋的車削加工。
管螺紋專用卡盤具有:大孔徑、長行程,內置缸體獨立結構的特點;
安裝于機床頭尾兩臺組合使用,同步裝夾保證穩定性,適用于較長石油管料兩端內、外圓及螺紋的車削加工。



常州比優特機械設備制造有限公司創立于2007年,是一家專業從事各類非標氣動卡盤制造的現代技術型企業,專注車床、磨床、加工中心領域十五載,有著成熟的設計制造經驗,同時為客戶免費提供專業的卡盤選型指導及解決方案。